Россия, Лобня, ул. Промышленная, дом 1А

Период гарантии: 2 года

Характеристики:
Период гарантии
2 года
Единица измерения партнерских остатков
PCE
Высота, мм
90 мм
Глубина
63 мм
Количество замыкающих контактов
1
Количество размыкающих контактов
1
Максимально допустимое время задержки, с
5 с
Кратность заказа: 1 шт.
Единица измерения: штук

Код товара: 331011555

Артикул: EA04.001.007

Цена:
2 545.53 руб. / шт.
Оптовая цена:
2 545.53 руб. / шт.
Под заказ 203 шт., срок поставки 5-7 рабочих дней
Остатки на складах:
Под заказ
5-7 раб.дн.
203 шт.

Описание товара

Реле контроля и наличия фаз CZF-312 (монтаж на DIN-рейке 35мм; регулировка порога; без задержки отключения; 3х400/230+N 2х8А 1Z 1R IP20) F&F EA04.001.007 можно приобрести в магазине ГРИНЛАЙН по выгодной цене. Производитель Евроавтоматика F&F.
Товар Реле контроля и наличия фаз CZF-312 (монтаж на DIN-рейке 35мм; регулировка порога; без задержки отключения; 3х400/230+N 2х8А 1Z 1R IP20) F&F EA04.001.007 доступен с доставкой по г. Москва, Лобня, Москвовской области и территории РФ, или самовывозом.

Информацию о стоимости товара, наличии и сроках поставки, а также фото, характеристики, можно уточнить по телефону 8(926) 915-56-54 или отправить заявку на почту .

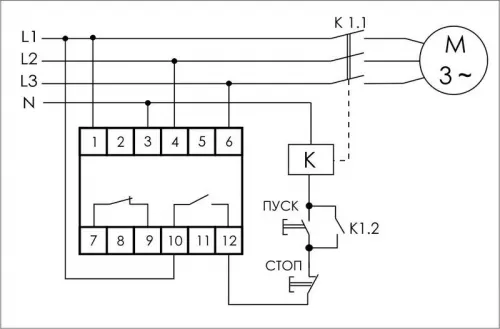
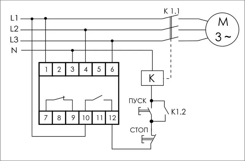
Реле контроля фаз серии "CZF" Монтаж на DIN-рейку. Предназначено для защиты электродвигателей и электроустановок, питаемых от трехфазной сети в случаях: отсутствия хотя бы одной из фаз, асимметрии напряжения, снижения напряжения менее 160 В, обрыва нулевого провода. Принцип работы Если напряжение в пределах нормы, контакты исполнительного реле замкнуты и на контактор управления электродвигателем подается напряжение, управляющее его включением. В случае одной из вышеперечисленных аварийных ситуаций контакты реле размыкаются и контактор отключается. Включение происходит автоматически после восстановления сетевого напряжения питания. Особенности: контроль наличия фаз; контроль асимметрии между фазами; контроль нижнего значения напряжения; защита от обрыва нулевого провода; напряжение питания 3x230+N В AC; контакт - 1NO, 1NC (2x8 А).

Характеристики

Вес и габариты упаковки
Длина (мм) 95
Высота (мм) 20
Ширина (мм) 70
Вес (грамм) 80
Характеристики товара
Период гарантии 2 года
Единица измерения партнерских остатков PCE
Высота, мм 90 мм
Глубина 63 мм
Количество замыкающих контактов 1
Количество размыкающих контактов 1
Максимально допустимое время задержки, с 5 с
Минимальное регулируемое время задержки, с 0.1 с
Функция контроля порядка чередования фаз Нет
Функция обнаружения асимметрии фаз Да
Функция обнаружения обрыва фазы Да
Функция обнаружения перенапряжения Нет
Функция обнаружения пониженного напряжения Да
Ширина, мм 18 мм

Аналогичные товары (8)

Реле контроля фаз CZF-310 (1 модуль; монтаж на DIN-рейке; 3х400/230+N 8А 1NO/NC IP20) F&F EA04.001.005
В наличииВ наличии (89 шт.)
Код товара
331011547
Артикул
EA04.001.005
Бренд
Евроавтоматика F&F
Цена:
2 405.23 руб. / шт.
Оптовая цена:
2 405.23 руб. / шт.
Реле контрольное для 3х-фазных сетей пониженное/повышенное напряжение 1CO 6А FINDER 703184002022
Под заказ 81 шт., срок поставки 5-7 рабочих дней
Код товара
33147907
Артикул
703184002022
Бренд
FINDER
Цена:
10 338.24 руб. / шт.
Оптовая цена:
10 028.09 руб. / шт.
Реле контроля фаз CZF-BR (3х400/230+N 8А 1перекл. IP20 монтаж на DIN-рейке) F&F EA04.001.003
Под заказ 96 шт., срок поставки 5-7 рабочих дней
Код товара
331011557
Артикул
EA04.001.003
Бренд
Евроавтоматика F&F
Цена:
2 305.19 руб. / шт.
Оптовая цена:
2 305.19 руб. / шт.
Реле фаз ORF-SP 3ф. 2 конт. 130-650В AC ONI ORF-SP-130-650VAC
Под заказ 488 шт., срок поставки 5-7 рабочих дней
Код товара
207417
Артикул
ORF-SP-130-650VAC
Бренд
ONI
Цена:
4 759.22 руб. / шт.
Оптовая цена:
4 616.44 руб. / шт.
Реле контроля фаз РК-101 380В тип 02 DEKraft 23301DEK
В наличииВ наличии (4033 шт.)
Код товара
331011546
Артикул
23301DEK
Бренд
DEKraft
Цена:
3 606.93 руб. / шт.
Оптовая цена:
3 426.58 руб. / шт.
Реле контроля фаз OptiRel D PHS-3-1M-03-PN-2 чередования обрыва фаз 3Ф+N 2СО КЭАЗ 331993
Под заказ 161 шт., срок поставки 5-7 рабочих дней
Код товара
44844
Артикул
331993
Бренд
КЭАЗ
Цена:
1 769.61 руб. / шт.
Оптовая цена:
1 716.53 руб. / шт.
Реле контроля фаз RKF-31 PROxima EKF rkf-31
В наличииВ наличии (113 шт.)
Код товара
331011545
Артикул
rkf-31
Бренд
EKF
Цена:
1 399.90 руб. / шт.
Оптовая цена:
1 371.90 руб. / шт.
Реле контроля фаз тип DRF контроль напряжения обрыва фаз чередования фаз асимметрии конфигурация контакта 2CO.208-480В 3ф DKC DRF-3-7
Под заказ 483 шт., срок поставки 5-7 рабочих дней
Код товара
62890
Артикул
DRF-3-7
Бренд
DKC
Цена:
2 209.82 руб. / шт.
Оптовая цена:
2 165.63 руб. / шт.

Сертификаты

112.02.01.TR04.013.01.00016.jpg Сертификаты, 7.56 МБ

*Цена указана с учетом НДС

Код товара: 331011555

Артикул: EA04.001.007

Цена:
2 545.53 руб. / шт.
Оптовая цена:
2 545.53 руб. / шт.
Минимальная кол-во для заказа:
1 шт.
Под заказ 203 шт., срок поставки 5-7 рабочих дней
Остатки на складах:
Под заказ
5-7 раб.дн.
203 шт.
Реле контроля и наличия фаз CZF-312 (монтаж на DIN-рейке 35мм; регулировка порога; без задержки отключения; 3х400/230+N 2х8А 1Z 1R IP20) F&F EA04.001.007
Купить в один клик
Заполните данные для заказа
Запросить стоимость товара
Заполните данные для запроса цены
Запросить цену Запросить цену