Россия, Лобня, ул. Промышленная, дом 1А
Евроавтоматика F&F

Период гарантии: 2 года

Код ТН ВЭД: 8536490000

Характеристики:
Производитель
Код ТН ВЭД
8536490000
Период гарантии
2 года
Единица измерения партнерских остатков
PCE
Высота, мм
90 мм
Глубина
65 мм
Количество замыкающих контактов
1
Кратность заказа: 1 шт.
Единица измерения: штук

Код товара: 331011559

Артикул: EA04.001.002

Цена:
1 873.92 руб. / шт.
Оптовая цена:
1 873.92 руб. / шт.
В наличииВ наличии (252 шт.)
Остатки на складах:
Основной
1 шт.
Юг-2 (5-7 раб. дней)
1 шт.
Под заказ
5-7 раб.дн.
250 шт.

Описание товара

Реле контроля фаз CZF-B (3х400/230+N 8А 1перекл. IP20 монтаж на DIN-рейке) F&F EA04.001.002 можно приобрести в магазине ГРИНЛАЙН по выгодной цене. Производитель Евроавтоматика F&F.
Товар Реле контроля фаз CZF-B (3х400/230+N 8А 1перекл. IP20 монтаж на DIN-рейке) F&F EA04.001.002 доступен с доставкой по г. Москва, Лобня, Москвовской области и территории РФ, или самовывозом.

Информацию о стоимости товара, наличии и сроках поставки, а также фото, характеристики, можно уточнить по телефону 8(926) 915-56-54 или отправить заявку на почту .

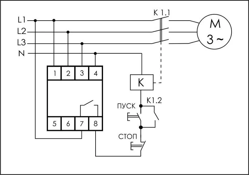
Реле контроля фаз серии "CZF" Монтаж на DIN-рейку. Предназначено для защиты электродвигателей и электроустановок, питаемых от трехфазной сети в случаях: отсутствия хотя бы одной из фаз, асимметрии напряжения, обрыва нулевого провода. Принцип работы Если напряжение в пределах нормы, контакты исполнительного реле замкнуты и на контактор управления электродвигателем подается напряжение, управляющее его включением. В случае одной из вышеперечисленных аварийных ситуаций контакты реле размыкаются и контактор отключается. Включение происходит автоматически после восстановления сетевого напряжения питания. Особенности: контроль наличия фаз; контроль асимметрии между фазами; защита от обрыва нулевого провода; напряжение питания 3x230+N В AC; контакт - 1NO (8 А).

Характеристики

Вес и габариты упаковки
Длина (мм) 95
Высота (мм) 40
Ширина (мм) 70
Вес (грамм) 94
Характеристики товара
Производитель Евроавтоматика F&F
Код ТН ВЭД 8536490000
Период гарантии 2 года
Единица измерения партнерских остатков PCE
Высота, мм 90 мм
Глубина 65 мм
Количество замыкающих контактов 1
Количество размыкающих контактов 1
Максимально допустимое время задержки, с 5 с
Минимальное регулируемое время задержки, с 3 с
Функция контроля порядка чередования фаз Нет
Функция обнаружения асимметрии фаз Да
Функция обнаружения обрыва фазы Да
Функция обнаружения перенапряжения Нет
Функция обнаружения пониженного напряжения Нет
Ширина, мм 35 мм

Аналогичные товары (8)

Реле контроля наличия и чередования фаз CKF-BR (монтаж на DIN-рейке 35мм; регулировка порога отключения; регулировка времени отключения; 3х400/230+N 2х8А 1Z 1R IP20) F&F EA04.002.003
Под заказ 257 шт., срок поставки 5-7 рабочих дней
Код товара
331011554
Артикул
EA04.002.003
Бренд
Евроавтоматика F&F
Цена:
2 385.10 руб. / шт.
Оптовая цена:
2 385.10 руб. / шт.
Новинка
Реле контроля фаз RKF-34 PROxima EKF rkf-34
В наличииВ наличии (1029 шт.)
Код товара
331098134
Артикул
rkf-34
Бренд
EKF
Цена:
1 958 руб. / шт.
Оптовая цена:
1 918.84 руб. / шт.
Реле контроля фаз OptiRel D PHS-3-1M-03-PN-2 чередования обрыва фаз 3Ф+N 2СО КЭАЗ 331993
Под заказ 161 шт., срок поставки 5-7 рабочих дней
Код товара
44844
Артикул
331993
Бренд
КЭАЗ
Цена:
1 769.61 руб. / шт.
Оптовая цена:
1 716.53 руб. / шт.
Реле контроля фаз RKF-37 PROxima EKF rkf-37
В наличииВ наличии (7031 шт.)
Код товара
331063216
Артикул
rkf-37
Бренд
EKF
Цена:
2 297.02 руб. / шт.
Оптовая цена:
2 251.08 руб. / шт.
Реле контроля фаз OptiRel D PHS-3-1M-03-PP-1 чередования обрыва фаз 3Ф 1СО КЭАЗ 331988
Под заказ 240 шт., срок поставки 5-7 рабочих дней
Код товара
44845
Артикул
331988
Бренд
КЭАЗ
Цена:
1 435.04 руб. / шт.
Оптовая цена:
1 391.99 руб. / шт.
Реле контроля наличия и чередования фаз CKF-317 (монтаж на DIN-рейке 35мм; регулировка порога отключения; 3х400/230+N 8А 1P IP20) F&F EA04.002.006
Под заказ 246 шт., срок поставки 5-7 рабочих дней
Код товара
331011552
Артикул
EA04.002.006
Бренд
Евроавтоматика F&F
Цена:
2 545.53 руб. / шт.
Оптовая цена:
2 545.53 руб. / шт.
Реле контроля фаз РК-101 380В тип 01 DEKraft 23300DEK
В наличииВ наличии (849 шт.)
Код товара
331011548
Артикул
23300DEK
Бренд
DEKraft
Цена:
3 941.82 руб. / шт.
Оптовая цена:
3 744.73 руб. / шт.

Сертификаты

112.02.01.TR04.013.01.00016.jpg Сертификаты, 7.56 МБ

*Цена указана с учетом НДС

Код товара: 331011559

Артикул: EA04.001.002

Цена:
1 873.92 руб. / шт.
Оптовая цена:
1 873.92 руб. / шт.
В наличииВ наличии (252 шт.)
Остатки на складах:
Основной
1 шт.
Юг-2 (5-7 раб. дней)
1 шт.
Под заказ
5-7 раб.дн.
250 шт.
Реле контроля фаз CZF-B (3х400/230+N 8А 1перекл. IP20 монтаж на DIN-рейке) F&F EA04.001.002
Купить в один клик
Заполните данные для заказа
Запросить стоимость товара
Заполните данные для запроса цены
Запросить цену Запросить цену