Россия, Лобня, ул. Промышленная, дом 1А
Евроавтоматика F&F

Период гарантии: 2 года

Код ТН ВЭД: 8536490000

Код ОКПД2: 27.12.10.190

Характеристики:
Производитель
Код ТН ВЭД
8536490000
ОКПД2
27.12.10.190
Период гарантии
2 года
Единица измерения партнерских остатков
PCE
Высота, мм
90 мм
Глубина
65 мм
Кратность заказа: 1 шт.
Единица измерения: штук

Код товара: 331011551

Артикул: EA04.004.003

Цена:
1 973.96 руб. / шт.
Оптовая цена:
1 973.96 руб. / шт.
В наличииВ наличии (642 шт.)
Остатки на складах:
Основной
2 шт.
Юг-2 (5-7 раб. дней)
2 шт.
Под заказ
5-7 раб.дн.
638 шт.

Описание товара

Реле контроля фаз для сетей с изолированной нейтралью CKF-11 (монтаж на DIN-рейке 35мм; регулировка задержки отключения; контроль чередования фаз; 3х400В 8А 1Z 1R IP20)(аналог ЕЛ-11Е) F&F EA04.004.003 можно приобрести в магазине ГРИНЛАЙН по выгодной цене. Производитель Евроавтоматика F&F.
Товар Реле контроля фаз для сетей с изолированной нейтралью CKF-11 (монтаж на DIN-рейке 35мм; регулировка задержки отключения; контроль чередования фаз; 3х400В 8А 1Z 1R IP20)(аналог ЕЛ-11Е) F&F EA04.004.003 доступен с доставкой по г. Москва, Лобня, Москвовской области и территории РФ, или самовывозом.

Информацию о стоимости товара, наличии и сроках поставки, а также фото, характеристики, можно уточнить по телефону 8(926) 915-56-54 или отправить заявку на почту .

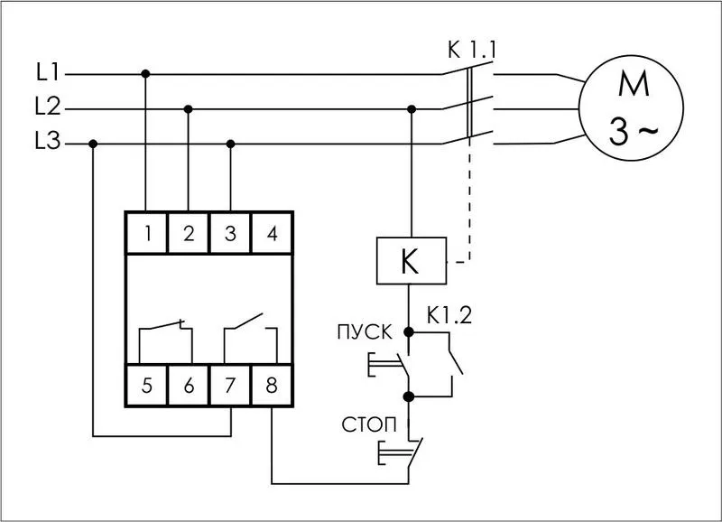
Реле контроля фаз серии "CKF" Монтаж на DIN-рейку. Предназначено для защиты электродвигателей и электроустановок, питаемых от трехфазной сети в случаях: отсутствия хотя бы одной из фаз, асимметрии напряжения, снижения напряжения менее 320 В, повышения напряжения более 480 В, нарушении чередования фаз. Принцип работы Если напряжение в пределах нормы, контакты исполнительного реле замкнуты и на контактор управления электродвигателем подается напряжение, управляющее его включением. В случае одной из вышеперечисленных аварийных ситуаций контакты реле размыкаются и контактор отключается. Включение происходит автоматически после восстановления сетевого напряжения питания. Особенности: контроль наличия фаз; контроль асимметрии между фазами; контроль нижнего значения напряжения; контроль верхнего значения напряжения; контроль чередования фаз; напряжение питания 3x400 В AC; контакт - 1NO, 1NC (2x8 А).

Характеристики

Вес и габариты упаковки
Длина (мм) 40
Высота (мм) 95
Ширина (мм) 95
Вес (грамм) 50
Характеристики товара
Производитель Евроавтоматика F&F
Код ТН ВЭД 8536490000
ОКПД2 27.12.10.190
Период гарантии 2 года
Единица измерения партнерских остатков PCE
Высота, мм 90 мм
Глубина 65 мм
Количество замыкающих контактов 1
Количество размыкающих контактов 1
Максимально допустимое время задержки срабатывания без выдержки 2 с
Максимально допустимое время задержки, с 10 с
Минимальное регулируемое время задержки срабатывания без выдержки 2 с
Минимальное регулируемое время задержки, с 0.5 с
Функция контроля порядка чередования фаз Да
Функция обнаружения асимметрии фаз Да
Функция обнаружения обрыва фазы Да
Функция обнаружения перенапряжения Да
Функция обнаружения пониженного напряжения Да
Ширина, мм 35 мм

Аналогичные товары (8)

Реле напряжения OptiRel D PVP-32 с ЖК-дисплеем 32 А КЭАЗ 357861
Под заказ 522 шт., срок поставки 5-7 рабочих дней
Код товара
88149
Артикул
357861
Бренд
КЭАЗ
Цена:
1 767.34 руб. / шт.
Оптовая цена:
1 714.32 руб. / шт.
Реле напряжения OptiRel D PVP-80 с ЖК-дисплеем 80 А КЭАЗ 357865
Под заказ 154 шт., срок поставки 5-7 рабочих дней
Код товара
86831
Артикул
357865
Бренд
КЭАЗ
Цена:
2 651.01 руб. / шт.
Оптовая цена:
2 571.48 руб. / шт.
Реле контроля и наличия фаз CZF-312 (монтаж на DIN-рейке 35мм; регулировка порога; без задержки отключения; 3х400/230+N 2х8А 1Z 1R IP20) F&F EA04.001.007
Под заказ 203 шт., срок поставки 5-7 рабочих дней
Код товара
331011555
Артикул
EA04.001.007
Бренд
Евроавтоматика F&F
Цена:
2 545.53 руб. / шт.
Оптовая цена:
2 545.53 руб. / шт.
Реле контроля наличия и чередования фаз CKF-317 (монтаж на DIN-рейке 35мм; регулировка порога отключения; 3х400/230+N 8А 1P IP20) F&F EA04.002.006
Под заказ 246 шт., срок поставки 5-7 рабочих дней
Код товара
331011552
Артикул
EA04.002.006
Бренд
Евроавтоматика F&F
Цена:
2 545.53 руб. / шт.
Оптовая цена:
2 545.53 руб. / шт.
Реле контроля фаз OptiRel D PHS-3-1M-06-PP-2 повышенного/пониженного настр асимметрии 3Ф 2СО КЭАЗ 332000
Под заказ 332 шт., срок поставки 5-7 рабочих дней
Код товара
44860
Артикул
332000
Бренд
КЭАЗ
Цена:
2 344.31 руб. / шт.
Оптовая цена:
2 273.98 руб. / шт.
Реле контроля фаз NJYB3-15 AC 220В (R) CHINT 697034
Под заказ 298 шт., срок поставки 5-7 рабочих дней
Код товара
229607
Артикул
697034
Бренд
CHINT
Цена:
4 082.73 руб. / шт.
Оптовая цена:
4 082.73 руб. / шт.
Реле напряжения OptiRel D PVP-63 с ЖК-дисплеем 63 А КЭАЗ 357864
Под заказ 4238 шт., срок поставки 5-7 рабочих дней
Код товара
212270
Артикул
357864
Бренд
КЭАЗ
Цена:
2 188.40 руб. / шт.
Оптовая цена:
2 122.74 руб. / шт.
Реле контроля фаз FINDER 704184002030
Под заказ 125 шт., срок поставки 5-7 рабочих дней
Код товара
33147199
Артикул
704184002030
Бренд
FINDER
Цена:
11 633.82 руб. / шт.
Оптовая цена:
11 284.81 руб. / шт.

Сертификаты

112.02.01.TR04.013.01.00016.jpg Сертификаты, 7.56 МБ

*Цена указана с учетом НДС

Код товара: 331011551

Артикул: EA04.004.003

Цена:
1 973.96 руб. / шт.
Оптовая цена:
1 973.96 руб. / шт.
В наличииВ наличии (642 шт.)
Остатки на складах:
Основной
2 шт.
Юг-2 (5-7 раб. дней)
2 шт.
Под заказ
5-7 раб.дн.
638 шт.
Реле контроля фаз для сетей с изолированной нейтралью CKF-11 (монтаж на DIN-рейке 35мм; регулировка задержки отключения; контроль чередования фаз; 3х400В 8А 1Z 1R IP20)(аналог ЕЛ-11Е) F&F EA04.004.003
Купить в один клик
Заполните данные для заказа
Запросить стоимость товара
Заполните данные для запроса цены
Запросить цену Запросить цену