Россия, Лобня, ул. Промышленная, дом 1А
Характеристики:
Период гарантии
2 года
Диапазон настройки понижения температуры по, град.C
5 град.C
Диапазон настройки понижения температуры с, град.C
-4 град.C
Исполнение
Аналоговый
Количество каналов
1
Недельная программа
Нет
Номинальная частота по
50 Гц
Кратность заказа: 1 шт.
Единица измерения: штук

Код товара: 87244

Артикул: EA07.001.004

Цена:
2 247 руб. / шт.
Оптовая цена:
2 247 руб. / шт.
Под заказ 104 шт., срок поставки 5-7 рабочих дней

Описание товара

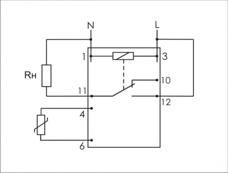
Регулятор температуры серии "RT"
Монтаж на DIN-рейку.
Для контроля и поддержания заданного температурного режима путем включения / выключения нагревательной/охлаждающей установки по сигналам выносного датчика температуры.
В зависимости от выполняемой задачи исполнительное устройство (нагреватель или охладитель) подключаются к определённым контактам выходного реле. При достижении заданной на панели прибора температуры происходит выключение нагревателя (охладителя). Например, в случае нагрева при снижении температуры в контролируемой зоне ниже заданной контакты исполнительного реле замыкаются включается нагреватель. По достижении заданной температуры контакты исполнительного реле размыкаются и нагреватель отключается. При понижении температуры на величину установленного гистерезиса контакты реле замыкаются, и нагреватель включается снова. Для случая охлаждения принцип работы аналогичен.
Особенности:
датчик RT в комплекте;
напряжение питания 230 В AC;
диапазон регулируемых температур -4...+5°C ;
гистерезис 3°C ;
контакт - 1NO/NC (16 А).

Характеристики

Вес и габариты упаковки
Длина (мм) 108
Высота (мм) 52
Ширина (мм) 75
Вес (грамм) 139
Характеристики товара
Период гарантии 2 года
Диапазон настройки понижения температуры по, град.C 5 град.C
Диапазон настройки понижения температуры с, град.C -4 град.C
Исполнение Аналоговый
Количество каналов 1
Недельная программа Нет
Номинальная частота по 50 Гц
Номинальная частота с 50 Гц
Номинальное напряжение по 230 В
Номинальное напряжение с 230 В
Руководство на дисплее Нет
Степень защиты IP IP20
Тип контакта Переключающий контакт
Ширина в числах модульных расстояний 1

Сертификаты

112.02.01.TR004.013.01.00015.jpg Сертификаты, 930.33 КБ

*Цена указана с учетом НДС

Код товара: 87244

Артикул: EA07.001.004

Цена:
2 247 руб. / шт.
Оптовая цена:
2 247 руб. / шт.
Минимальная кол-во для заказа:
1 шт.
Под заказ 104 шт., срок поставки 5-7 рабочих дней
Регулятор температуры RT-821.1 (от -4 до +5 град.C; выносной датчик; гистерезис 30 град.C; монтаж на DIN-рейке 35мм 230В 16А 1P IP20) F&F EA07.001.004
Купить в один клик
Заполните данные для заказа
Запросить стоимость товара
Заполните данные для запроса цены
Запросить цену Запросить цену