Россия, Лобня, ул. Промышленная, дом 1А
Характеристики:
Период гарантии
2 года
Высота, мм
90 мм
Глубина
65 мм
Исполнение электрического соединения
Зажимное/Винтовое крепление
Количество переключающих контактов
2
Количество фаз
3
Максимально допустимое время задержки, с
240 с
Кратность заказа: 1 шт.
Единица измерения: штук

Код товара: 331011600

Артикул: EA03.001.009

Цена:
12 016.20 руб. / шт.
Оптовая цена:
12 016.20 руб. / шт.
Под заказ 35 шт., срок поставки 5-7 рабочих дней

Описание товара

Ограничитель мощности ОМ-630-2 работа с приоритетной и неприоритетной нагрузками встроен. счетчик числа отключений монтаж на DIN-рейке 35мм 3х400/230+N 2х8А 2х1Р F&F EA03.001.009 можно приобрести в магазине ГРИНЛАЙН по выгодной цене. Производитель Евроавтоматика F&F.
Товар Ограничитель мощности ОМ-630-2 работа с приоритетной и неприоритетной нагрузками встроен. счетчик числа отключений монтаж на DIN-рейке 35мм 3х400/230+N 2х8А 2х1Р F&F EA03.001.009 доступен с доставкой по г. Москва, Лобня, Москвовской области и территории РФ, или самовывозом.

Информацию о стоимости товара, наличии и сроках поставки, а также фото, характеристики, можно уточнить по телефону 8(926) 915-56-54 или отправить заявку на почту .

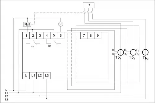
Ограничитель мощности серии "OM" Монтаж на DIN-рейку. Для непрерывного контроля потребляемой от сети питания мощности и отключения нагрузки при превышении ее свыше установленного значения и защиты цепей питания от короткого замыкания. Ограничитель защищает так же потребителей электроэнергии (нагрузку) от перепадов напряжения, возникающих в 3-х фазных сетях при обрыве нулевого провода. Ограничитель контролирует величину напряжения и величину потребляемого тока нагрузки , вычисляет значение потребляемой мощности отдельно в каждой фазе и обрабатывает эти значения в соответствии с выбранным алгоритмом работы. При повышении значения мощности свыше установленного значения нагрузка отключается от сети на установленное время . По истечении этого времени она автоматически подключается к сети питания. Особенности: трехфазный; многофункциональный; для работы с внешними трансформаторами тока; защита от перегрузки по току; защита от циклической перегрузки; защита от работы при пониженном и повышенном напряжении; защита при обрыве нулевого провода; выбор варианта определения значения отключаемой мощности: - суммарно; - суммарно, с ограничением мощности в любой из фаз на уровне 2/5P. напряжение питания 3х(50...450) В AC; диапазон контролируемой мощности (1,6...2,5)K кВт; контакт - 2NO/NC (2x8 A).

Характеристики

Вес и габариты упаковки
Длина (мм) 125
Высота (мм) 72
Ширина (мм) 113
Вес (грамм) 380
Характеристики товара
Период гарантии 2 года
Высота, мм 90 мм
Глубина 65 мм
Исполнение электрического соединения Зажимное/Винтовое крепление
Количество переключающих контактов 2
Количество фаз 3
Максимально допустимое время задержки, с 240 с
Минимальное регулируемое время задержки, с 1 с
Номинальное напряжение питания цепи управления Us перемен. тока АС при 50 Гц по, В 450 В
Номинальное напряжение питания цепи управления Us перемен. тока АС при 50 Гц с, В 50 В
Номинальное напряжение по 450 В
Номинальное напряжение с 50 В
Род тока включения Переменный ток (AC)
Частота измеряемого напряжения, Гц 50 Гц
Ширина, мм 105 мм

Аналогичные товары (6)

Ограничитель мощности ОМ-630 3ф 5-50кВт многофункц. подключение приоритетной и неприоритетной нагрузок F&F EA03.001.007
Под заказ 107 , срок поставки 5-7 рабочих дней
Код товара
331012691
Артикул
EA03.001.007
Бренд
Евроавтоматика F&F
Цена:
12 016.20 руб. / шт.
Оптовая цена:
12 016.20 руб. / шт.
Ограничитель мощности ОМ-14 PROxima EKF rel-pl-14
Под заказ 985 , срок поставки 5-7 рабочих дней
Код товара
331081993
Артикул
rel-pl-14
Бренд
EKF
Цена:
4 341.02 руб. / шт.
Оптовая цена:
3 928.62 руб. / шт.
Ограничитель мощности 3ф ОМ-630 PROxima EKF rel-pl-630
Под заказ 128 , срок поставки 5-7 рабочих дней
Код товара
55966
Артикул
rel-pl-630
Бренд
EKF
Цена:
9 215.60 руб. / шт.
Оптовая цена:
8 340.12 руб. / шт.
Ограничитель мощности ОМ-1P 8А 230В KARAT IEK MOM10-1-008
Под заказ 4 , срок поставки 5-7 рабочих дней
Код товара
33130120
Артикул
MOM10-1-008
Бренд
IEK
Цена:
1 691.58 руб. / шт.
Оптовая цена:
1 657.75 руб. / шт.

Сертификаты

112%2002.01.TR004%20013.01%2000012.pdf Сертификаты, 162 Б

*Цена указана с учетом НДС

Код товара: 331011600

Артикул: EA03.001.009

Цена:
12 016.20 руб. / шт.
Оптовая цена:
12 016.20 руб. / шт.
Минимальная кол-во для заказа:
1 шт.
Под заказ 35 шт., срок поставки 5-7 рабочих дней
Ограничитель мощности ОМ-630-2 работа с приоритетной и неприоритетной нагрузками встроен. счетчик числа отключений монтаж на DIN-рейке 35мм 3х400/230+N 2х8А 2х1Р F&F EA03.001.009
Купить в один клик
Заполните данные для заказа
Запросить стоимость товара
Заполните данные для запроса цены
Запросить цену Запросить цену