Россия, Лобня, ул. Промышленная, дом 1А
Евроавтоматика F&F

Период гарантии: 2 года

Код ТН ВЭД: 8536490000

Характеристики:
Производитель
Код ТН ВЭД
8536490000
Период гарантии
2 года
Единица измерения партнерских остатков
PCE
Возможно дистанционное управление
Нет
Высота, мм
90 мм
Глубина
65 мм
Кратность заказа: 1 шт.
Единица измерения: штук

Код товара: 331011529

Артикул: EA02.001.019

Цена:
1 453.02 руб. / шт.
Оптовая цена:
1 453.02 руб. / шт.
В наличииВ наличии (1488 шт.)
Остатки на складах:
Основной
56 шт.
Юг-2 (5-7 раб. дней)
4 шт.
Под заказ
5-7 раб.дн.
1 428 шт.

Описание товара

Реле времени PO-406 8А 230В 1НО IP20 задержка выключ./управ. контактом монтаж в коробку d-60мм F&F EA02.001.019 можно приобрести в магазине ГРИНЛАЙН по выгодной цене. Производитель Евроавтоматика F&F.
Товар Реле времени PO-406 8А 230В 1НО IP20 задержка выключ./управ. контактом монтаж в коробку d-60мм F&F EA02.001.019 доступен с доставкой по г. Москва, Лобня, Москвовской области и территории РФ, или самовывозом.

Информацию о стоимости товара, наличии и сроках поставки, а также фото, характеристики, можно уточнить по телефону 8(926) 915-56-54 или отправить заявку на почту .

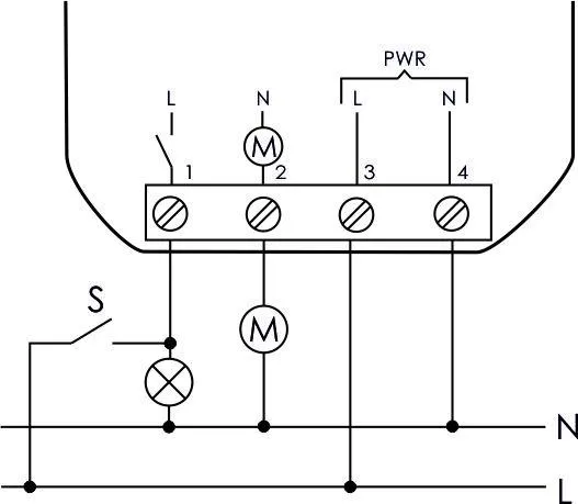
Реле времени серии "PO" Монтаж на плоскость. Предназначено для поддержания работы устройства после размыкания управляющего контакта в течение установленного отрезка времени. Например, выключателем включаем освещение - вентилятор включится, после выключения освещения вентилятор выключится через установленный отрезок времени. Принцип работы В результате замыкания управляющего контакта S контакты реле замыкаются. Размыкание управляющего контакта S вызывает отсчет установленного времени, по истечении которого работа реле прекращается. Особенности: вход управления; напряжение питания 230 В AC; задержка отключения 1...15 мин ; контакт - 1NO (8 А).

Характеристики

Вес и габариты упаковки
Длина (мм) 85
Высота (мм) 43
Ширина (мм) 75
Вес (грамм) 52
Характеристики товара
Производитель Евроавтоматика F&F
Код ТН ВЭД 8536490000
Период гарантии 2 года
Единица измерения партнерских остатков PCE
Возможно дистанционное управление Нет
Высота, мм 90 мм
Глубина 65 мм
Диапазон времени по, с 900 с
Диапазон времени с, с 60 с
Количество выходов с задержкой, переключающий контакт 1
Номинальное напряжение питания цепи управления Us перемен. тока АС при 50 Гц по, В 250 В
Номинальное напряжение питания цепи управления Us перемен. тока АС при 50 Гц с, В 230 В
Род тока включения Переменный ток (AC)
Функция задержки при включении Нет
Функция задержки при отключении Да
Функция звезда/треугольник Нет
Ширина, мм 18 мм

Аналогичные товары (8)

Реле времени РВП-72 3222 220В 50Гц Реле и Автоматика A8014-76916378
Под заказ 44 шт., срок поставки 5-7 рабочих дней
Код товара
40033
Артикул
A8014-76916378
Бренд
Реле и Автоматика
Цена:
12 316.32 руб. / шт.
Оптовая цена:
11 946.83 руб. / шт.
Реле времени NTE8-120B (задержка времени включения) 12-120с 1НО DC 24В (R) CHINT 258462
В наличииВ наличии (40 шт.)
Код товара
331091727
Артикул
258462
Бренд
CHINT
Цена:
2 025.81 руб. / шт.
Оптовая цена:
2 025.81 руб. / шт.
Реле времени RT-SBE-2 (задержка выключ. после пропад. сигн.) PROxima EKF rt-sbe-2
Под заказ 95 шт., срок поставки 5-7 рабочих дней
Код товара
331073330
Артикул
rt-sbe-2
Бренд
EKF
Цена:
2 699.31 руб. / шт.
Оптовая цена:
2 645.33 руб. / шт.
Реле времени ВЛ-60 Е1 24...220В 50Гц/пост. 0.1с...30ч Реле и Автоматика A8223-76911342
Под заказ 10 шт., срок поставки 5-7 рабочих дней
Код товара
331061177
Артикул
A8223-76911342
Бренд
Реле и Автоматика
Цена:
2 179.84 руб. / шт.
Оптовая цена:
2 114.44 руб. / шт.
Реле времени с задержкой включения 12-12 сек 24-220В перем. пост. тока EMAS RZ1A1A12S-25
Под заказ 28 шт., срок поставки 5-7 рабочих дней
Код товара
95104
Артикул
RZ1A1A12S-25
Бренд
EMAS
Цена:
3 627.93 руб. / шт.
Оптовая цена:
3 519.09 руб. / шт.
Реле времени RT-SBB-2 (импульс при включении) PROxima EKF rt-sbb-2
Под заказ 60 шт., срок поставки 5-7 рабочих дней
Код товара
331072499
Артикул
rt-sbb-2
Бренд
EKF
Цена:
2 626.37 руб. / шт.
Оптовая цена:
2 573.84 руб. / шт.
Реле времени РВП 72-3221 110В 50Гц Реле и Автоматика A8014-76916279
Под заказ 2 шт., срок поставки 5-7 рабочих дней
Код товара
94355
Артикул
A8014-76916279
Бренд
Реле и Автоматика
Цена:
12 316.32 руб. / шт.
Оптовая цена:
11 946.83 руб. / шт.
Реле времени PCR-513 8А 230В 1 перекл. IP20 задержка включ. монтаж на DIN-рейке F&F EA02.001.003
В наличииВ наличии (526 шт.)
Код товара
331011536
Артикул
EA02.001.003
Бренд
Евроавтоматика F&F
Цена:
3 006.08 руб. / шт.
Оптовая цена:
3 006.08 руб. / шт.

Сертификаты

BY.112.02.01.TR004.013.01.00010.pdf Сертификаты, 1.56 МБ

*Цена указана с учетом НДС

Код товара: 331011529

Артикул: EA02.001.019

Цена:
1 453.02 руб. / шт.
Оптовая цена:
1 453.02 руб. / шт.
В наличииВ наличии (1488 шт.)
Остатки на складах:
Основной
56 шт.
Юг-2 (5-7 раб. дней)
4 шт.
Под заказ
5-7 раб.дн.
1 428 шт.
Реле времени PO-406 8А 230В 1НО IP20 задержка выключ./управ. контактом монтаж в коробку d-60мм F&F EA02.001.019
Купить в один клик
Заполните данные для заказа
Запросить стоимость товара
Заполните данные для запроса цены
Запросить цену Запросить цену